-
2025.09.28
-
955
【新品发布】万象城CA-IF1024F-Q1 具有唤醒功能的四通道LIN收发器
川土微电子CA-IF1024F-Q1 具有唤醒功能的四通道LIN收发器新品发布!该产品实现了从晶圆生产到封装测试全国产化。
CA-IF1024F-Q1是一款本地互联网络(LIN)四通道收发器,LIN是支持汽车车载网络的低速通用异步收发器(UART)通信协议。CA-IF1024F-Q1通过 TXDx 引脚控制 LINx 总线的状态,使其具备较好的压摆率和波形整形,从而减少电磁辐射(EME),并通过 RXDx 引脚的开漏输出报告总线的状态。
CA-IF1024F-Q1通过宽输入电压范围来支持12V应用,此外还支持低功耗休眠模式,该器件支持通过 LINx 和 SLPx_N 引脚唤醒的功能。
CA-IF1024F-Q1集成了用于从节点应用和ESD保护的电阻器,从而减少系统应用中外部组件的数量。一旦发生接地漂移或者 VBATx 电源电压断开,该器件可防止反馈电流经 LINx 流向电源输入。
CA-IF1024F-Q1具有较高的ESD保护能力。其中LINx和VBATx的IEC 61000-4-2通过±10kV,HBM通过±14kV;TXDx、RXDx和SLPx_N的HBM通过±8kV;所有管脚的CDM通过±2kV。
02产品特性
• 符合面向汽车应用的 AEC-Q100 标准(认证中)
• 符合 LIN2.0、LIN2.1、LIN2.2、LIN2.2A 和 ISO 17987-4:2016(12V) 电气物理层(EPL)标准
• 符合面向车辆应用的 SAE J2602-1 LIN 网络标准和面 向车辆应用的 SAE J2602-2 LIN 网络标准符合性测试
• 支持 12V 应用
• 宽工作电压范围:
- VBATx 范围为 5V 至 18V
• LIN 传输数据速率高达 20kbps
• 工作模式:
- 正常模式
- 低功耗待机模式
- 低功耗休眠模式
• 支持低功耗模式唤醒
- 通过 LINx 总线实现远程唤醒
- 通过 SLPx_N 引脚实现直接唤醒
• 支持 3.3V、5V 输入电平
• 集成 30kΩ LINx 上拉电阻
• 在 LINx 总线和 RXDx 输出实现上电/断电无干扰运行
• 保护功能:±42V LINx 总线容错、42V 负载突降支持、IEC ESD 保护、VBAT 输入端上的欠压保护、 TXDx 显性状态超时、热关断、系统级未供电节点或接地断开失效防护
• 切换到正常模式时的初始 TXD 检测
• 结温范围:-40°C 至 150°C
• 可提供无引线 QFN24 封装(3.5mm x 5.5mm)
03典型应用
• 车身电子装置和照明
• 信息娱乐系统和仪表组
• 混合动力电动汽车和动力总成系统
• 被动安全
• 电器
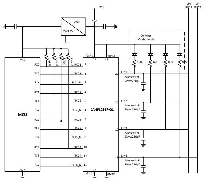
04应用图

CA-IF1024F-Q1 LIN 总线典型应用图