-
2025.09.28
-
1127
【新品发布】万象城CA-IS3115X 1.5W 全集成隔离 DC-DC 转换器
川土微电子CA-IS3115X支持2.5/5.0kVRMS 隔离耐压的 DC-DC转换器新品发布!该产品集成片上变压器,能够高效率传输1.5W功率到副边侧输出。
01产品概述
CA-IS3115X 是一款支持 2.5/5.0kVRMS 隔离耐压的 DC-DC 转换器芯片,该芯片采用特有控制架构,能够快速响应负载变化,并且精确调节输出电压。CA-IS3115X 可替代传统分立器件组建的隔离电源方案,该方案物理尺寸更小,且能够实现完全隔离。
CA-IS3115X 集成软启动、短路保护、过温保护等多种保护功能以更好地增强系统的可靠性。CA-IS3115X 具有 EN 使能管脚,当 EN 为低电平时,输出电压为零,此时 电源仅有微安级待机输入电流。

02产品特性
• 集成高效率的 DC-DC 转换器和片上变压器
- 内置软启动电路来防止浪涌电流和输出过冲
- 工作在 Hiccup 模式的短路保护
- 过热关断保护功能
• 宽输入电压范围:4.5 V ~ 5.5 V
• 输出电压可选:
- 3.3V 或 5.0V;
- 3.7V 或 5.4V,支持在 DC-DC 后接 LDO
• 输出典型功率:1.5W (5V/300mA)
• 优异的负载瞬态响应
• 宽工作温度范围:-40 °C ~ 125 °C
• 符合 EN55032 Class-B 级 EMI 标准
• ESD:±2kV HBM,±2kV CDM
• 高 CMTI:±150 kV/µs(典型)
• 优异的隔离性能:
- UL 1577 标准下,长达 1 分钟的 5kVRMS 隔离耐 压(CA-IS3115AW)
- UL 1577 标准下,长达 1 分钟的 2.5kVRMS 隔离 耐压(CA-IS3115BW)
- 符合 DIN V VDE V 0884-11:2017-01 标准的 7070VPK VIOTM 和 2121VPK VIORM (CA-IS3115AW)
- 隔离栅寿命:>40 年
• 符合 RoHS 标准封装:SOIC16-WB(W)

03典型应用
• 工业自动化控制系统
• 电机控制
• 光伏逆变
• 储能
• 电网基础设备
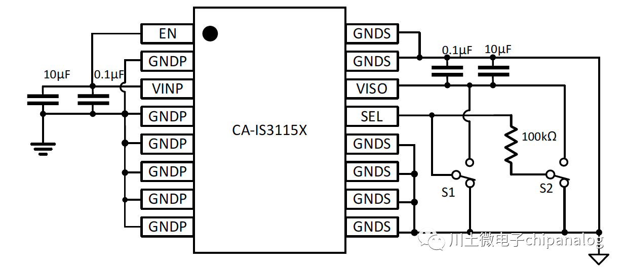
04应用框图
